长期堵转力矩电机式电缆卷筒
产品特点
JDO系列长期堵转力矩电机式电缆卷筒广泛应用于斗轮堆取料机,门座起重机、装船机、集装箱起重机,塔式起重机等需要平移运动的大型机械设备。动力源和信号源位于行程中点或端点,通过电缆卷筒的收放电缆来传递动力源和控制信号,采用标准JG/T5111-1999。
型号说明

A 容缆量:一般由卷盘容纳电缆的重量(单位:kg)来表示。如数字1250表示容缆量为1250kg(选型时请参照基本参数对照表)注:在安装高度加大且速度加快时,选型时略大些。
B 集电箱代号:“T”动力300A、“U”动力500A、“Q”动力800A、“GA”高压(3-6千伏)200A、“GB”高压(1万伏)200A、“KT”控制20A组数至48、“DK”动控合一、“GQ”光纤、“WD”无触点。
选型指南
一、电缆卷筒装机高度≤3m。
根据电缆规格(外形尺寸、单位长度重量、动力用电缆芯数、控制用电缆芯数)、容缆长度、电压高低,从各表中选出所需电缆卷筒型号。
二、电缆卷筒装机高度>3m。
1.根据公式T=H·D·W·1/J 计算电缆卷筒所需力矩式中:
注:电缆卷筒的输出力矩应大于计算力矩1.1倍
T:力 矩 单位:Kgm
H:电缆卷筒装机高度 单位:m
D:电缆卷筒卷盘直径 单位:m
W:电缆单位长度重量 单位:Kg/m
J:容 量 取 0 .85
2. 根据所计算的力矩,电缆规格(动力用电缆芯数,控制用电缆芯数)容缆长度、电压高低,按《型号说明》确定电缆卷筒型号。
三、特殊用途的电缆卷筒,订货时请详细告知电缆参数、容缆长度、电压大小、大车运行速度以及电缆卷筒的装机高度,我公司协助确定电缆卷筒型号。
四、选型注意3项:
1. 单排卷取时,卷盘宽度W值的确定:圆电缆为直径的1.1倍,扁电缆为电缆宽度的1.2倍。
2. 控制用电缆卷筒,每增加一相,卷筒总长度尺寸相应增加25mm。
特点
一、主机:
1、动力部分:
长期堵转力矩电机(带制动器)、专用减速机、集电滑环箱。

1、固定螺栓 2、电机轴 3、电机外壳 4、制作盘 5、制动片 6、压盘 7、制动弹簧 8、励磁线圈 9、手动螺栓 10、电磁铁壳体 11、压盘拉杆 12、手动调节环 13、手动调节压盘 14、调整弹簧
长期堵转力矩电机的电气参数:
| 型 号 |
极数 |
堵转力矩 |
堵转电流 |
堵转时间 |
YLEJC112-4/6 |
6 |
4N·M |
1A |
8小时以上 |
YLEJC132-9/6 |
6 |
9 N·M |
2A |
8小时以上 |
YLEJC132-12/6 |
6 |
12 N·M |
3A |
8小时以上 |
长期堵转力矩电机的电气参数及特点:
1.1、电缆从空盘到满盘间张力恒定,适用于长期低速、频繁 正反转的工况。
1.2、不同于普遍电机的是堵转电流小,可长期堵转、反转。
1.3、装配前已进行8—10小时堵转试验,电机温升<65K,热态状况下,堵转力矩降幅在5%范围内。
2、电力(信号)传输部分
集电滑环箱:从用途可分为动力传输和信号传输,按电压等级可分为380V、500V、3KV、6KV、10KV等。

二、容缆部分
卷盘:可分为多排缠绕和单排缠绕。为便于运输,直径≤2.4m的卷盘为整体结构;>2.4m的卷盘为散件,现场进行组装。
三、电缆卷筒电气原理图:

四、电缆卷筒的工作原理:
长期堵转力矩电机式电缆卷筒上的动力部分和调速部分是由电机来承担的,这种电机具有独特的电气和机械特性。电机调速范围宽,具有较软的机械特性,当负载变化时电机的工作转速也相应变化,即负载增加转速下降,负载下降转速上升。而且电机可以在其转矩、转速的机械特性曲线上任意一点都能长期稳定的运行,所以可以保证电缆在卷盘的相应半径上获得适当的卷绕速度和拉力。
1、卷取电缆 电机输出力矩为动力,通过减速部分带动卷盘收取电缆。
2、释放电缆 电机输出力矩为阻碍力, 防止电缆快速拉开卷盘,保证了放缆的同步性。
3、停机时 长期堵转电机带有盘式常闭制动器,可以保证电机断电时,电缆不会因重力作用从卷盘上滑落。
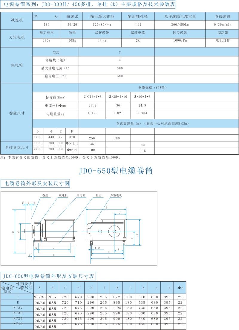
五、外形尺寸及技术参数
 |